Carmin icon

Carmin

24.08K
4.6
Installs
1.00M
Version
4.3.0
Advertisement
Carmin screenshot
Carmin screenshot
Carmin screenshot
Carmin screenshot
Carmin screenshot
Carmin screenshot
Carmin screenshot
Carmin screenshot
Carmin screenshot
Carmin screenshot
Carmin screenshot
Carmin screenshot
Carmin screenshot
Carmin screenshot
Carmin screenshot
Carmin screenshot
Carmin screenshot
Carmin screenshot
Advertisement

Introducing Carmin: The Ultimate Car Wiring and Navigation App

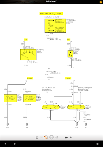
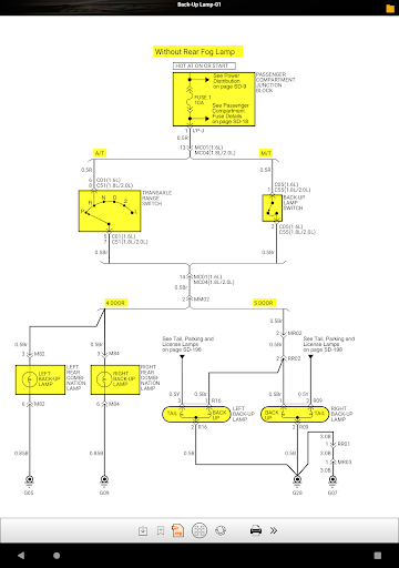
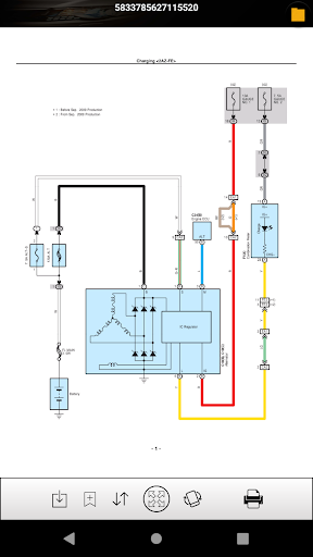
Carmin is a versatile and user-friendly application designed to cater to automobile enthusiasts, mechanics, and everyday drivers alike. This free app provides instant access to detailed wiring diagrams for a wide range of popular auto makers and car models. Whether you are a professional technician or a DIY car repair enthusiast, Carmin becomes your indispensable companion for troubleshooting and studying vehicle electrical systems. With regularly updated content, the app ensures that users always have access to the most trustworthy and comprehensive electrical wiring diagrams available. These diagrams can serve as essential references during car repairs or for educational purposes, making complicated wiring tasks straightforward and less time-consuming.

Features and Benefits of Carmin

One of the standout features of Carmin is its extensive library of videos and technical documents. With just a few clicks, users can explore technical manuals or watch how-to videos, facilitating a deeper understanding of vehicle electronics. This makes Carmin more than just a wiring diagram viewer—it's a complete research tool that supports learning and troubleshooting. The app's interface is crafted for ease of navigation, allowing users to quickly find the information they need, saving valuable time, especially when dealing with urgent repairs or complex technical issues.

Why Carmin is Perfect for Automotive Professionals and Enthusiasts

Not only does Carmin excel in providing *Electrical Wiring Diagrams* for various automobile brands, but its design also appeals to those who value a smooth and modern user experience. Its regularly updated database guarantees access to the latest diagrams, which is crucial for working with newer vehicle models. The app supports research, study, and repair preparation by offering a rich set of technical documents and how-to videos, empowering both professional mechanics and hobbyists. With its reliable and trustful resources, Carmin streamlines the process of vehicle diagnostics and repairs, making it an essential app for anyone serious about automotive technology.

Available on iOS

Carmin is conveniently available for download on iOS devices, which ensures that a broad user base can benefit from its features. Just visit the Apple App Store to get the latest version of this innovative automotive tool. Whether you’re checking wiring diagrams on-site or studying vehicle systems at home, the app's compatibility with mobile devices makes it a flexible and accessible solution for everyone interested in automotive diagnostics or electrical system repair.

Beyond Wiring Diagrams: Features That Enhance Your Driving Experience

While Carmin is renowned for its *Electrical Wiring Diagrams*, it also offers other features that enhance your overall driving and travel experience. The app provides real-time navigation, helping users navigate busy city streets or long-distance trips efficiently. It offers accurate traffic predictions and rerouting options to avoid congestion, saving valuable time. Additionally, the offline map feature is a game-changer for those who often encounter areas with limited data connectivity. This ensures that your navigation remains uninterrupted regardless of network conditions. Furthermore, Carmin tracks your travel stats, giving insights into your driving habits with detailed analytics—think of it as a personal travel diary that helps you optimize your routes and understand your trip patterns better.

User Experience and Final Thoughts

Setting up and using Carmin is straightforward, thanks to its intuitive user interface. The app guides users through initial configurations with clear instructions, making it accessible even for those new to technology. Controls are thoughtfully organized, and the app operates smoothly without lag or crashes, reflecting the meticulous attention of the developers. Whether you’re a professional mechanic, an automotive student, or a casual driver, Carmin's combination of reliable technical resources and user-centric design makes it a powerful tool for managing vehicle electronics and navigation needs. Its comprehensive features provide a one-stop solution for wiring diagrams, technical research, and navigation assistance, making it a must-have app for modern drivers and automotive enthusiasts alike. Give Carmin a try, and elevate your vehicle troubleshooting and travel management experience.

Pros

  • User-friendly interface with intuitive navigation.
  • Offers a wide variety of customization options.
  • Seamless integration with other apps.
  • Fast and responsive performance.
  • Regular updates with new features.

Cons

  • Limited offline functionality.
  • Some features require in-app purchases.
  • Occasional bugs and glitches.
  • High battery consumption during use.
  • Limited customer support options.
Advertisement

You May Like